-
퀵서트, 코일인서트 등 부르는 사람마다 다르게 부르 지만 다들 알아듣습니다.
퀵서트 규격, 삽입탭, 내경탭, 탭외경, 피치, 길이, 구멍깊이, 기초홀, 등 가공 조건을 살펴보겠습니다.

1. 퀵서트 규격 내경, 탭외경, 피치, 길이, 구멍깊이 알아보기
요즘은 헬리코일 대신 알루미늄에도 퀵서트를 많이 선호합니다. 헬리코일은 박기도 힘들고 잘못 박으면 다시 빼야 하고 여간 힘든 게 아닙니다.
퀵서트를 사용하면 작업속도 및 능률이 올라갑니다.
노란색이 일반스틸 흰색이 서스(sus)용 퀵서트입니다.







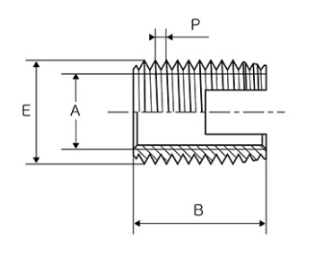
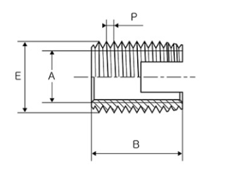
퀵서트 규격 예시) A내경 M6 짜리 퀵서트를 사서 확인해 보면 외경은 M10이 나옵니다
외경탭을 사용하셔서 탭을 내시면 됩니다.
A 내경탭 E 외경탭 P 외경탭 피치 B 퀵서트 길이 T 가공시 깊이 M3 M5 P0.5 6 8 M4 M6.5 P0.75 8 10 M5 M8 P1 10 13 M6 M10 P1.5 14 17 M8 M12 P1.5 15 18 M10 M14 P1.5 18 22 M12 M16 P1.5 22 26 M14 M18 P1.5 24 28 M16 M20 P1.5 22 27 퀵서트는 공구집 볼트집 툴링집등 다녀보니 볼트집이 가장 저렴했습니다.
A 내경탭 E 외경탭 P 외경탭 피치 B 퀵서트 길이 T 가공시 깊이 M18 M22 P1.5 24 29 M20 M26 P1.5 27 32 M22 M26 P1.5 30 36 M24 M30 P1.5 30 36 M27 M34 P1.5 30 36 M30 M36 P1.5 40 46 오늘은 퀵서트 가공 조건 등을 알아봤습니다. 좋은 참고가 되길 바랍니다.
볼트를 끼워 사용하시면 편합니다.



2. 가공하실 때 참고가 될만한 다른 가공법들 소개
많은 참고가 되도록 자세하게 적어놨습니다.
유드릴 티드릴 절삭조건 및 가공조건
유드릴 티드릴 절삭조건 및 가공조건은 머시닝센터 기계와 소재의 재질에 따라서 유드릴 절삭조건 및 가공조건이 조금씩 차이가 있습니다. 유드릴 가공조건에 대해 알아 가시기 바랍니다. 1. 유
jin.doctor-stone.co.kr
파이프 관용탭 가공 PT 탭(RC) PF 탭(RP) 가공 조건 및 기초 홀
파이프 관용탭 PT탭과 PF탭은 유압블록이나 유압밸브등에 많이 이용하는 탭입니다. 가공조건 및 기초홀등 중요한 부분에 대해 알아 가시기 바랍니다. 1. 파이프 관용탭 종류 관용탭에는 PT탭과 PF
jin.doctor-stone.co.kr
'기계 제조 가공' 카테고리의 다른 글
T-cuttre, 티 커터(슬롯 밀) 가공조건 및 공식 (0) 2023.11.18 M-TAP 미리 탭 기초 홀 P피치 S회전 F피드 기초 홀 까지 가공 조건 알아가세요 (0) 2023.11.16 UNC탭,UNF탭 가공 및 D드릴, P피치, S스핀들, F피드, 기초홀 까지 전부 알려드립니다. (0) 2023.11.12 NPT탭, NPS탭 가공조건 및 S(회전), F (피드), 피치, 기초 홀 까지 살펴보겠습니다. (0) 2023.11.11 보링바 절삭조건 및 가공조건 (0) 2023.11.10